在高端Hi-Fi领域,日本品牌Esoteric始终以“从零开始创造一切”的执着,站在声音再现技术的创新前沿,其每一款新品的推出,都被发烧友视为行业技术迭代的风向标。2026年,Esoteric在品牌与TEAC整合升级后,推出了备受瞩目的N-05XE串流解码前级耳放一体机,作为N-05XD的全面进化版,这款产品不仅延续了系列“极简高端”的核心定位,更将旗舰级技术全面下放,实现了架构、音质与功能的三重突破,成为追求精简系统却不愿妥协音质的发烧友的理想之选。

对于高端Hi-Fi玩家而言,一套完整的讯源系统往往需要串联串流播放器、解码器、前级放大器、耳机放大器等多个设备,不仅占用空间大,复杂的线材连接还会引入额外干扰,影响声音纯净度。Esoteric N-05XE的核心优势,便是将这四大核心功能融为一体,一台设备即可构建完整的高端讯源核心,既简化了系统搭建,又通过一体化设计减少了信号传输过程中的损耗,从源头保证了音质的纯粹性。这种高度整合的设计,并非简单的功能叠加,而是基于Esoteric数十年的技术积累,对每一个模块进行了精准的优化与协同,让极简系统也能拥有旗舰级的声音表现。
核心技术升级:旗舰级配置,重塑声音上限
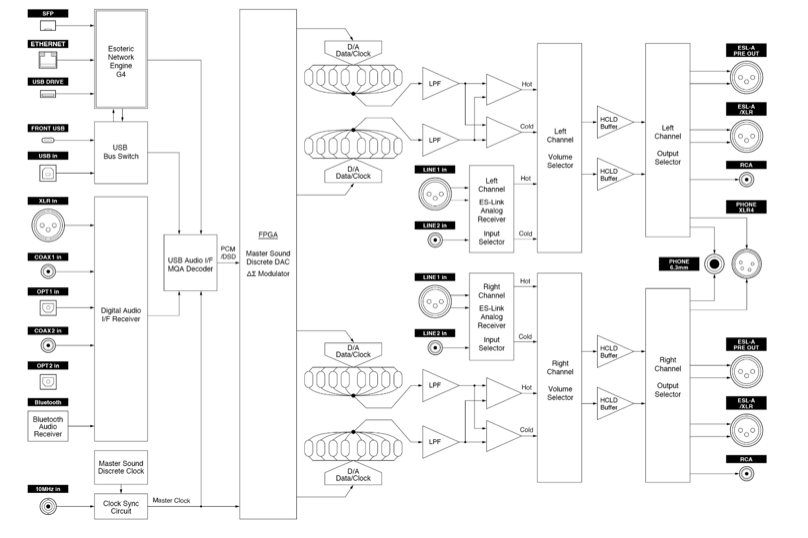
Esoteric N-05XE的最大亮点,莫过于大量旗舰级技术的下放,其中最引人关注的便是第四代Esoteric Network Engine G4网络引擎的搭载。

这套网络串流核心与旗舰Grandioso N1T属于同级架构,配备了高性能CPU、大容量内存以及独立供电系统,不仅运算能力大幅提升,还支持RJ45与SFP光纤网络双接口——其中SFP光纤接口的加入,能够有效隔离电气干扰,进一步提升网络串流信号的纯净度,让用户在播放Tidal、Qobuz、Spotify等流媒体平台的高解析音频时,获得更稳定、更细腻的听感体验。

同时,通过Esoteric Sound Stream专属APP,用户可实现对串流播放的全面管理与操控,操作流畅直观,彻底解决了高端Hi-Fi设备“难操作”的痛点。
在决定音质核心的DAC(数字模拟转换)部分,N-05XE采用了Esoteric自主开发的Master Sound Discrete DAC G2架构,这是一套基于FPGA的多级ΔΣ(Delta-Sigma)离散式DAC系统,源自旗舰Grandioso N1的核心技术,相比上一代N-05XD的DAC架构,进行了全方位优化:重新设计的低噪声电阻网络,有效降低了信号干扰;动态范围进一步提升,让音乐的细节表现更加丰富;同时优化了音乐性与自然度,让声音摆脱了“冰冷的解析感”,更具感染力。

值得一提的是,这套FPGA DSP还能针对DSD与PCM两种不同音频格式分别进行优化处理,无论是播放2.8MHz/5.6MHz/11.2MHz的高采样率DSD文件,还是常规的PCM文件,都能发挥出最佳的音质表现,真正实现了“全格式适配,全场景胜任”。

精准的时间基准,是Hi-Fi设备还原真实声音的关键。N-05XE内建了Master Sound Discrete Clock离散时钟系统,采用高稳定度离散设计,从根本上降低了抖动(Jitter),让数模转换的精度大幅提升,反映在听感上,便是声音的稳定性更强、空间定位更精准,能够清晰还原出音乐中的每一个细节,让听者仿佛置身于录音现场。这种时钟设计理念,源自Esoteric旗舰频率产生器Grandioso G1X,其组件经过精细匹配,精度严格控制在±0.5ppm之内,这种不计成本的配置,在同价位产品中极为罕见。
在模拟前级部分,N-05XE延续了Grandioso系列的电路设计理念,采用真正的双单声道结构与全平衡电路设计,配备多达8组独立放大电路,有效避免了声道之间的干扰,让左右声道的分离度大幅提升。输出缓冲级采用Esoteric招牌的HCLD(High Current Line Driver)技术,具备高达2000 V/μs的转换速率,让声音在瞬态响应、动态范围与控制力方面表现更加出色;同时搭载的ES-Link Analog电流传输技术,相比传统的电压传输,能够实现更高的能量传递效率,同时降低线材阻抗对声音的影响,让用户无需花费重金更换高端线材,也能获得出色的音质表现。

作为一台一体化设备,N-05XE在耳机放大部分同样毫不妥协。其采用双单声道耳放架构与并联单端放大设计,同样搭载HCLD技术,输出能力最高可达每声道1200mW,无论是低阻抗的便携耳机,还是高阻抗的旗舰头戴耳机(如森海塞尔HD800S、HIFIMAN HE400se等),都能轻松驱动,充分发挥耳机的潜力。前面板配备6.3mm单端输出与4-pin XLR平衡输出双接口,满足不同用户的使用需求,让桌面级高解析耳机系统的搭建变得更加简单。

外观与细节:匠心工艺,尽显高端质感
Esoteric N-05XE的外观设计延续了品牌一贯的简约高端风格,机身采用铝合金材质打造,经过精细的拉丝工艺处理,呈现出细腻的金属质感,同时有效抑制了机身振动对音质的影响。机身尺寸为445×131×377mm,重量达13.6kg,整体造型沉稳大气,没有多余的装饰,仅在前面板配备了简洁的操作按钮与小型显示屏,能够清晰显示当前的工作状态、输入源、音量等信息,操作便捷且直观。

机身背部的接口配置丰富且实用,除了前文提到的RJ45与SFP光纤网络接口外,还配备了USB Type-B、同轴、光纤等数字输入接口,以及平衡XLR、单端RCA等模拟输出接口,能够满足不同用户的连接需求,无论是搭配后级放大器驱动音箱,还是连接电脑、CD机等设备,都能轻松实现。同时,机身底部配备了特制的避震脚钉,有效减少桌面振动对设备的影响,进一步提升音质的纯净度。

总结:极简高端,不负期待
Esoteric N-05XE并非简单的“换代产品”,而是在架构设计、核心技术与系统整合层面的全面进化。它将旗舰级的网络引擎、DAC架构、时钟系统与模拟电路融为一体,实现了“一机多用”的同时,保证了旗舰级的音质表现,解决了高端Hi-Fi用户“系统复杂、音质妥协”的痛点。对于追求精简系统、注重音质表现的发烧友而言,N-05XE无疑是一款极具吸引力的产品——它不需要复杂的搭配,不需要重金投入线材,只需一台设备,就能搭建起一套高端讯源系统,还原最真实、最细腻的音乐本质。

从产品实力来看,它的每一项配置、每一处细节都体现了Esoteric的匠心与技术实力,无论是作为桌面Hi-Fi系统的核心,还是作为高端家庭影音系统的讯源,都能胜任。如果你厌倦了复杂的设备搭配,又不愿在音质上妥协,那么Esoteric N-05XE绝对值得你细细品味。






